Mae Blwch Gêr NMRV 63 yn un maint o flwch gêr llyngyr cyfres NMRV, y pellter o siafft llyngyr i ganolfan gêr llyngyr yw 63mm.
Mae ganddo dŷ sgwâr bach datblygedig gydag aloi Alwminiwm o ansawdd uchel. Pwysau ysgafn, cryfder uchel, trorym allbwn mawr, trosglwyddiad llyfn, a sŵn is, dyna ei fanteision.

Mae ganddo sawl math, NMRV63, NRV63, NMRV63FA, NMRV63FB, NMRV63VS, NMRV63 ar gyfer modur servo ac ati.


Deunyddiau yn bennaf
|
Ty/Flange |
Aloi alwminiwm, haearn bwrw, dur di-staen |
|
Siafft llyngyr |
20CrMnTi, dur gwrthstaen |
|
Gêr llyngyr |
Efydd tun, efydd Alwminiwm |
|
Olew |
Olew synthetig, olew mwynau |
Dyddiad technegol cyffredinol
|
Maint |
63 |
|
Cymhareb cyflymder |
5, 7.5, 10, 15, 20, 25, 30, 40, 50, 60, 80, 100 |
|
Pŵer modur |
0.25-1.5KW |
|
Torque allbwn |
56-166N.m |
|
Mewnbwn fflans |
71B5/B14, 80B5/B14, 90B5/B14 |
|
Wedi'i addasu |
Siafft allbwn, fflans allbwn, sefyllfa mowntio arbennig |
Gallwch ddewis eitemau cywir yn ôl meintiau fflans modur islaw.


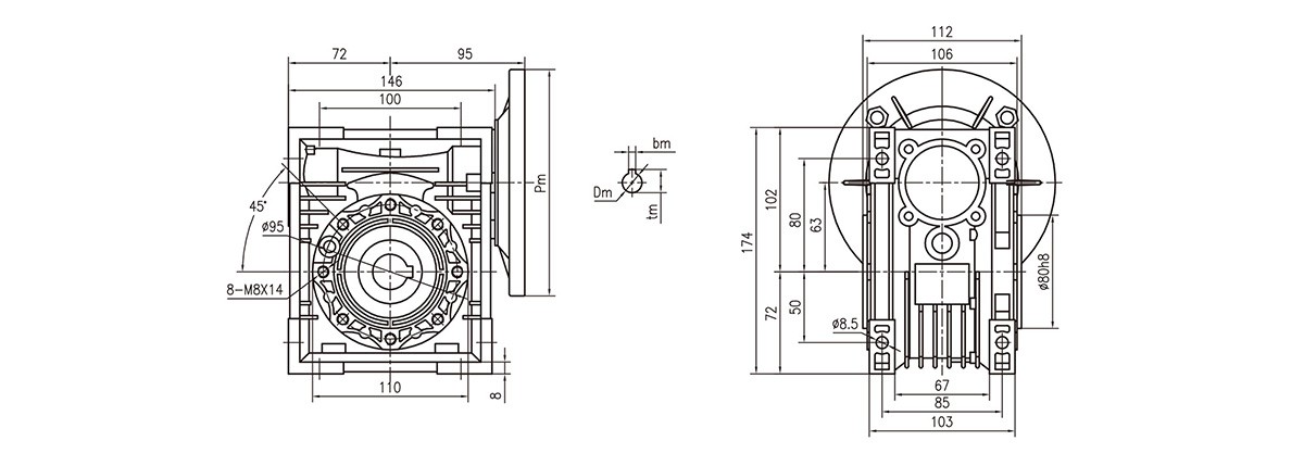
Yn bennaf dimensiynau




Ein manteision
- Ffatri a sefydlwyd yn 2006, gyda phrofiad helaeth mewn cynhyrchu a gweithgynhyrchu.
- Gweithdy safonol 10,000 metr sgwâr a thros 40 o setiau offer cynhyrchu a phrofi, nid yn unig turnau CNC, peiriannau malu, peiriannau melino, peiriannau hobio gêr, Peiriannu Mesur Cydlynu, gweithdy ffowndri a llinellau cydosod.
- Gydag adran dechnoleg ac adran ansawdd, yn darparu gwasanaeth OEM, yn seiliedig ar reolaeth safonol ISO.
- Allforio i fwy na 66 o wledydd a rhanbarthau, a ddefnyddir yn eang ar gyfer ystod o ddiwydiannau, gan gynnwys diwydiant dur, diwydiant meteleg, peiriannau tecstilau, peiriannau argraffu, peiriannau gwaith coed, diwydiant cemegol, offer codi, logisteg a chludo offer, amaethyddiaeth a phecynnu offer ac ati.
FAQ
C: A oes gennych dŷ haearn bwrw ar gyfer NMRV63?
A: Oes, mae gennym ni, ond bydd y pris yn uwch na modelau Alwminiwm cyffredinol.
C: A oes gennych fflans allbwn ar gyfer NMRV63?
A: Oes, mae gennym fflans allbwn meintiau FA neu FB, a siafft allbwn.
C: Sut allwn ni ddewis y modelau?
A: Yn ôl y cyflymder allbwn, torque allbwn, sefyllfa mowntio, ac amodau gwaith.
C: Beth yw eich amser cynhyrchu?
A: Mae ein modelau safonol fel arfer yn cael eu cludo o fewn 15-30 diwrnod cyflym, tra bod unedau wedi'u haddasu yn cael eu crefftio'n ofalus a'u hanfon mewn tua 30-45 diwrnod.
C: A allaf gael lluniadau 3D a 2D?
A: Wrth gwrs y gallwch chi, mae gennym luniadau safonol. Yn ogystal, gellir addasu maint mewnbwn y blwch gêr yn ôl gwahanol moduron. Byddwn yn cynhyrchu gwahanol luniadau yn unol â'ch gofynion.
Tagiau poblogaidd: nmrv 63 gerbocs, Tsieina nmrv 63 gweithgynhyrchwyr blwch gêr, cyflenwyr, ffatri